300 XC-W HARDENDURO 2026Motor
Pos
Menge
Artikelnr
Bezeichnung
Preis
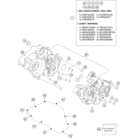
MOTORGEHÄUSE
KUPPLUNGSDECKEL
AUSGLEICHSWELLE
ZYLINDER, ZYLINDERKOPF
KURBELWELLE, KOLBEN
MEMBRANGEHÄUSE
KUPPLUNG
GETRIEBE I - ANTRIEBSWELLE
GETRIEBE II - ABTRIEBSWELLE
SCHALTUNG
WASSERPUMPE
KÜHLSYSTEM
AUSLASSSTEUERUNG
SCHMIERSYSTEM
ZÜNDANLAGE
DROSSELKLAPPEN- / DREHWALZENKÖRPER